|
|
品名・型番
|
PLT-001-6
|
PLT-001-5
|
PLT-002-5
|
PLT-002-4
|
|
ツリーワイド(W)
|
5,000mm
|
5,000mm
|
3,000mm
|
3,000mm
|
|
ポール高さ(H)
|
6,000mm
|
5,000mm
|
5,000mm
|
4,000mm
|
|
消費電力
|
2800W/100V
|
2800W/100V
|
2000W/100V
|
2000W/100V
|
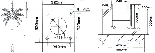
◆付属のコントローラーにより葉のイルミネーションの点滅スピードを調整出来ます。
◆赤、黄色は受注生産となります。
◆色の変更も可能(別途)。 |

|
※安全にお使いいただくために
|
|
消費電力が高い為、単独回線でご使用下さい。
転倒防止の為、標準基礎図に従い、適切な基礎工事を行って下さい。
組立てに関しては指定の工事店を利用して下さい。
※設置場所により工事費等が変動します。
お問い合わせの際は設置場所のご詳細情報ご用意ください。
また、納期も随時ご確認ください
|
|
|